Txoj cai Angel 5PIN Txiv neej thiab poj niam Pogo Pin Connector
Lub caij nplooj ntoos hlav thimble yog lub caij nplooj ntoos hlav-hom kev sojntsuam tsim los ntawm peb qhov tseem ceeb ntawm rab koob, koob raj, thiab lub caij nplooj ntoos hlav tom qab raug riveted los ntawm qhov ntsuas qhov tseeb. Nws tseem hu ua pogo pin, pogopin caij nplooj ntoos hlav electrode kem, Caij nplooj ntoos hlav Loaded, los yog pogopin. Hauv qab ntawm rab koob ntawm lub caij nplooj ntoos hlav thimble feem ntau yog cov qauv bevel.

Kev ua haujlwm ntawm cov qauv bevel yog los xyuas kom meej tias cov pogopin tuav tes nrog cov phab ntsa sab hauv ntawm lub koob raj thaum nws ua haujlwm kom qhov tam sim no feem ntau dhau los ntawm rab koob kub-plated thiab rab koob raj kom ruaj khov thiab qis. impedance ntawm pogopin.

Lub caij nplooj ntoos hlav thimbles feem ntau yog siv rau hauv kev sib txuas ntawm cov khoom siv hluav taws xob xws li xov tooj ntawm tes, kev sib txuas lus, tsheb, kev kho mob, aerospace, thiab lwm yam; txij li lub caij nplooj ntoos hlav thimble yog ib qho kev sojntsuam zoo heev, lub ntim tuaj yeem ua rau me me, yog li nws tuaj yeem txo tus nqi txuas thaum siv hauv cov khoom sib txuas. Txo qhov hnyav ntawm lub cuab yeej, txuag chaw, thiab ua kom zoo nkauj ntawm cov khoom lag luam (xws li ultra-nyias lub xov tooj ntawm tes, smart watches, hluav taws xob luam yeeb, thiab lwm yam).

Rau hom pogopin hom thiab nta:
Flat-bottomed pogopin: zoo stability, hauv qab ntawm koob raj yog tiaj-bottomed, yooj yim rau solder nrog PCB board
Plug-in pogopin: Muaj ib qho chaw tso rau ntawm qhov kawg ntawm lub koob raj, thiab thaum nws tau soldered rau PCB pawg thawj coj saib, yuav tsis muaj qhov sib txawv thiab qhov chaw ua haujlwm zoo;
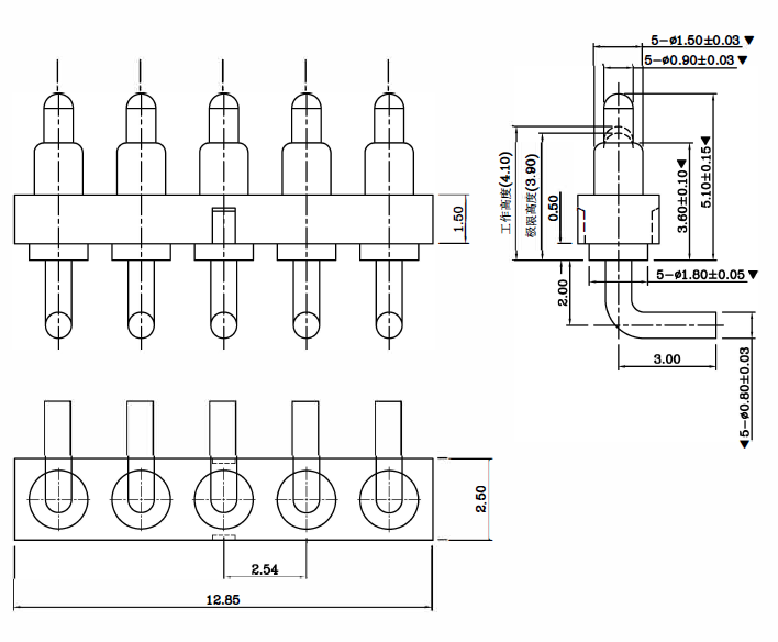
Khoov pogopin: tus Tsov tus tw yog khoov, muab cov neeg tsim qauv xaiv ntau dua hauv kev siv qhov chaw;
Ob-headed pogopin: Kev tsim qauv ntawm ob lub taub hau thiab ob-txoj haujlwm tso cai rau cov kws ua haujlwm kom muaj qhov chaw yooj yim dua nyob rau hauv lub rooj tsavxwm-rau-board ob txoj kev sib txuas
Soldering hlau pogopin: haum rau Cable kawg, yooj yim rau solder nrog hlau
Threaded pogopin: cov khoom siv tshwj xeeb tshwj xeeb tuaj yeem ua tau raws li cov kev xav tau sib txawv ntawm cov neeg siv khoom.

